Hummer Forums by Elcova

Hummer Forums by Elcova (http://www.elcovaforums.com/forums/index.php)
-   General H2 Discussion (http://www.elcovaforums.com/forums/forumdisplay.php?f=6)
-   -   Only Highs...no lows. (http://www.elcovaforums.com/forums/showthread.php?t=42530)

ryaleon 04-30-2012 10:24 PM

Only Highs...no lows.
 
So the bulbs arent burned out. And the fuses I checked associated with the low beams are fine as well. Hi beams work fine. just no lows. Is it the switch? Will a simple swap fix this issue?

NEGATE 04-30-2012 11:13 PM

Re: Only Highs...no lows.
 
could it be a relay?

ryaleon 05-01-2012 12:06 AM

Re: Only Highs...no lows.
 
Relay is good, switched it with another and they are both good

[__--MUD--__] 05-01-2012 01:15 AM

Re: Only Highs...no lows.
 
If you only checked one, then you didn't get it. There are two.

[__--MUD--__] 05-01-2012 01:17 AM

Re: Only Highs...no lows.
 
There are also 2- 10Amp fuses coming off each relay for left/right light.

[__--MUD--__] 05-01-2012 01:25 AM

Re: Only Highs...no lows.
 
2 Attachment(s)
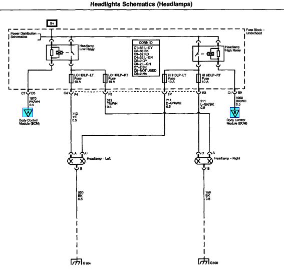
Screw it, here's the diagram. If you have any more questions, ask :)

Attachment 53794

Attachment 53795

ryaleon 05-01-2012 02:36 AM

Re: Only Highs...no lows.
 
I only see one relay for the low beams diagram is hard to read without my glasses on haha so I apologize

[__--MUD--__] 05-01-2012 03:32 AM

Re: Only Highs...no lows.
 
you should be able to zoom in w/ your browser or save the image and zoom.

ok, 2 relays for headlights...one for high, one for low. You said realy in your responce. Are you sure you had the correct low beam relay?

The body control module sends the signal to the relay. Do you have any other odd issues inside the truck? These are not physical switches anymore, its data through a computer network.

ryaleon 05-01-2012 10:21 PM

Re: Only Highs...no lows.
 
no other issues. just the low beams not coming on.

ryaleon 05-02-2012 12:19 AM

Re: Only Highs...no lows.
 
hdlp-low correct?

[__--MUD--__] 05-03-2012 01:23 AM

Re: Only Highs...no lows.
 
Quote:

Originally Posted by ryaleon
hdlp-low correct?


LO HDLP Left upper box in the second pic.

Have you physically swapped the High Beam relay w/ the Low Beam relay?

If both side lows are not working...I dont know how long the run is after the relay before it splits to the left/right low beam run. But it has to be before that split. The low beams share the same ground w/ the highs. Two of those posts where the relay plugs in should have 12V. One is the signal from the Body Control Module and the 4th is the output to lights.

When you toggle between high/low beams, does the instrument cluster show the brights going on and off?

Are these headlights completely stock? No HIDS, No little boxes plugged into the headlight harness, etc... Have you actually checked for voltage at the bulb socket?

ryaleon 05-03-2012 10:45 PM

Re: Only Highs...no lows.
 
Yes I have swapped the low and high relays. Both lows are not working and both highs are. When I toggle yes the blue high symbol shows on the cluster. They are 100% stock. Worked fine one day, then the next day nothing.

HUMTECH 05-04-2012 12:09 AM

Re: Only Highs...no lows.
 
I would start by checking power and ground at headlight connector to see what circuit to chase

HUMTECH 05-04-2012 12:11 AM

Re: Only Highs...no lows.
 
Then check for ground signal coming from bcm to the relay. If no ground check for ground signal to the bcm from the switch, if no ground from switch you will need a switch, if you have ground from the switch and none from bcm to the relay you need a bcm

ryaleon 05-04-2012 12:42 AM

Re: Only Highs...no lows.
 
Just being hopeful I disconnected the battery hoping that would fix it when reconnected....strangely it did. They are fine now.

[__--MUD--__] 05-04-2012 04:12 AM

Re: Only Highs...no lows.
 
Good to hear it was just something simple like that.

ryaleon 05-04-2012 11:28 PM

Re: Only Highs...no lows.
 
i wonder what happened to make it screw up

HUMTECH 05-05-2012 12:01 AM

Re: Only Highs...no lows.
 
If unhooking the battery fixed it that means the bcm had a glitch in it and it may happen again. Many module can be reset by removing power to them, sometimes they continue to work for years, sometimes they just fail again.

DRTYFN 05-05-2012 04:13 PM

Re: Only Highs...no lows.
 
Quote:

Originally Posted by ryaleon
So the bulbs arent burned out. And the fuses I checked associated with the low beams are fine as well. Hi beams work fine. just no lows. Is it the switch? Will a simple swap fix this issue?

I thought this was going to be about BOSE.


All times are GMT +1. The time now is 11:53 AM.

Powered by vBulletin Version 3.0.7
Copyright ©2000 - 2025, Jelsoft Enterprises Ltd.