 |
|

04-25-2004, 08:26 PM
|
 |
Hummer Guru
|
|
Join Date: Nov 2003
Location: bah
Posts: 4,782
|
|
I just got the new Pioneer flip screen system installed in my truck 2 days ago and all I can say is DAMN I love this thing.
The picture quality is outstanding and it is touch screen as well which I have always wanted. I put Underworld in there to test out the DVD functions and the movie looks very good, much better than I expected it to be.
You can control amplifier settings from the unit rather than go to the back of the truck to adjust things. Did I mention I love the fact that it is touch screen?
The navigation is built into the head unit so there isn't a seperate piece of equipment that needs to be purchased to go with it. You can do split screen with the radio and Navi which is how I keep it right now. The unit supports voice recognition so you can keep your hands on the wheel and control things.
What really adds to the value of this unit for me at least is the fact that you can monitor vehicle properties through the unit. Angular velocity, side slope degree, voltage, lateral g-force, forward and backward g-force and a compass. Very handy to have up on the screen while offroading. I'm in the process of hooking up an HCam to the system and should have that running by tomorrow or Tuesday.
Enough of my rambling, here are some pics. You may notice my picture taking ability has been somewhat hindered by alcohol...
|

04-25-2004, 08:26 PM
|
 |
Hummer Guru
|
|
Join Date: Nov 2003
Location: bah
Posts: 4,782
|
|
I just got the new Pioneer flip screen system installed in my truck 2 days ago and all I can say is DAMN I love this thing.
The picture quality is outstanding and it is touch screen as well which I have always wanted. I put Underworld in there to test out the DVD functions and the movie looks very good, much better than I expected it to be.
You can control amplifier settings from the unit rather than go to the back of the truck to adjust things. Did I mention I love the fact that it is touch screen?
The navigation is built into the head unit so there isn't a seperate piece of equipment that needs to be purchased to go with it. You can do split screen with the radio and Navi which is how I keep it right now. The unit supports voice recognition so you can keep your hands on the wheel and control things.
What really adds to the value of this unit for me at least is the fact that you can monitor vehicle properties through the unit. Angular velocity, side slope degree, voltage, lateral g-force, forward and backward g-force and a compass. Very handy to have up on the screen while offroading. I'm in the process of hooking up an HCam to the system and should have that running by tomorrow or Tuesday.
Enough of my rambling, here are some pics. You may notice my picture taking ability has been somewhat hindered by alcohol...
|

04-26-2004, 12:10 AM
|
 |
Hummer Guru
|
|
Join Date: Nov 2003
Location: bah
Posts: 4,782
|
|
JMV - Model number is AVIC-N1. I paid $1,700 for the unit. The camera was purchased from my good buddy Big C.
George - No I didn't replace any speakers nor do I fel they need to be. Having subs in the vehicle means you really only use your other speakers for tweeters and mids which I think they work fine for.
Ken - Thanks bro. Anything you wanna know all you gotta do is call me up man.
|

04-27-2004, 09:10 PM
|
 |
Hummer Messiah
|
|
Join Date: Jan 2003
Location: ENRAGEMENT FOR HIRE
Posts: 31,286
|
|
It doesn't even apply to me but I'm compelled to read EVERY single one of Klaus' posts.
The man is gold I tells ya!
__________________
.
My advice to you is get married: if you find a good wife you'll be happy; if not, you'll become a philosopher.
My Video Collectionez
|

04-25-2004, 08:26 PM
|
 |
Hummer Guru
|
|
Join Date: Nov 2003
Location: bah
Posts: 4,782
|
|
I just got the new Pioneer flip screen system installed in my truck 2 days ago and all I can say is DAMN I love this thing.
The picture quality is outstanding and it is touch screen as well which I have always wanted. I put Underworld in there to test out the DVD functions and the movie looks very good, much better than I expected it to be.
You can control amplifier settings from the unit rather than go to the back of the truck to adjust things. Did I mention I love the fact that it is touch screen?
The navigation is built into the head unit so there isn't a seperate piece of equipment that needs to be purchased to go with it. You can do split screen with the radio and Navi which is how I keep it right now. The unit supports voice recognition so you can keep your hands on the wheel and control things.
What really adds to the value of this unit for me at least is the fact that you can monitor vehicle properties through the unit. Angular velocity, side slope degree, voltage, lateral g-force, forward and backward g-force and a compass. Very handy to have up on the screen while offroading. I'm in the process of hooking up an HCam to the system and should have that running by tomorrow or Tuesday.
Enough of my rambling, here are some pics. You may notice my picture taking ability has been somewhat hindered by alcohol...
|

04-26-2004, 04:06 PM
|
|
|
Join Date: Oct 2003
Location: Setauket,NY
Posts: 81
|
|
Looks great my friend just got the head unit in and wants me to get one. Are you happy with everything? I am cosidering picking one up.
Thanks
|

04-26-2004, 07:01 PM
|
 |
Hummer Guru
|
|
Join Date: Nov 2003
Location: bah
Posts: 4,782
|
|
Klaus as always thank you for the info, I am going to order all the remaining modules I need tonight.
|

04-26-2004, 06:51 PM
|
|
Hey Klaus
Thanks for the help - I will look this evening

|

04-27-2004, 02:14 AM
|
 |
Hummer Guru
|
|
Join Date: Nov 2002
Location: CSA
Posts: 2,511
|
|
Diagram 2
|

04-28-2004, 02:39 PM
|
 |
Hummer Veteran
|
|
Join Date: Nov 2002
Location: Coram, NY, USA
Posts: 109
|
|
I just ordered the AVIC-NI myself. Mostly because of the additional vehicle monitoring and the fact that my installer said he would be able to integrate On Star, steering wheel controls and my exsisting amp. I hope he's right? He also recommended installing a seperate DVD player so you don't have to keep on downloading maps which I did. My only complaint is I don't like the way the screen covers part of the vents, but I will have to live with that.
I had an Audiovox Nav system in my first H2 that had a seperate screen and DVD drive, It worked great but went off when I traded up for a new H2.
__________________
Doug
2006 Pewter Luxury/Adventure Edition
|

04-26-2004, 04:19 PM
|
 |
Hummer Guru
|
|
Join Date: Nov 2002
Location: CSA
Posts: 2,511
|
|
<BLOCKQUOTE class="ip-ubbcode-quote"><font size="-1">quote:</font><HR>Originally posted by Tucson Beast:
Hi Frank
I have a Pioneer Nav System - Here is a small problem I have and wonder if you have it and how might it be corrected (Help Klaus):
The Pioneer Nav System has a Nighttime screen and Daytime screen - Day = Gray background (like your picture) Nighttime = Black background.
In the "Settings Mode" you can toggel the mode (automatic) which should allow the unit to change to black background when lights go on toward evening - however since the H2 has day-time running lights my backgroud is always black in auto mode.
Unless I toggel the setting to "off" - then the background is always gray even at night (which is to bright inside at night).
Have you experienced this - any suggestion? My Installer states that they cannot correct this problem.
Thanks  <HR></BLOCKQUOTE>
I don't have my wiring diagrams with me at work, and I'm guessing about the Pioneer, so here goes.
I suspect the Pioneer needs to be connected to a 12V source that is "hot" when the lights are on. If, in fact, the dash lights are always on, that won't work. I'd suggest a connection to the tail light circuit.
I'll look it up tonight for you.
|

04-26-2004, 02:32 PM
|
|
Hi Frank
I have a Pioneer Nav System - Here is a small problem I have and wonder if you have it and how might it be corrected (Help Klaus):
The Pioneer Nav System has a Nighttime screen and Daytime screen - Day = Gray background (like your picture) Nighttime = Black background.
In the "Settings Mode" you can toggel the mode (automatic) which should allow the unit to change to black background when lights go on toward evening - however since the H2 has day-time running lights my backgroud is always black in auto mode.
Unless I toggel the setting to "off" - then the background is always gray even at night (which is to bright inside at night).
Have you experienced this - any suggestion? My Installer states that they cannot correct this problem.
Thanks 
|

04-26-2004, 09:43 AM
|
 |
Hummer Guru
|
|
Join Date: Nov 2002
Location: CSA
Posts: 2,511
|
|
Frank, you might want to go ahead and buy the Pioneer GEX-P910XM. Rumor is Pioneer will soon quit making it. Right now, Crutchfield has it in stock:
http://www.crutchfield.com/S-QZHAOIt...sp?i=130P910XM
|

04-27-2004, 08:21 PM
|
 |
Hummer Guru
|
|
Join Date: Nov 2002
Location: CSA
Posts: 2,511
|
|
Tucson,
Like I said, I don't have access to the installation instructions for your stereo, but the aftermarket stereos I have installed usually have a wire that should be connected to the dash illumination circuit. Therefore, when the radio senses voltage on the illumination circuit, it assumes that it needs to change from day to night mode. When you are switching your radio to "night-time mode", you are telling your radio to dim when it senses voltage on the illumination circuit. When you turn the mode off, you are telling your radio to ignore the illumination circuit, and your radio will not "dim" to black.
If your dash lights are always on, day or night, then that problem will need to be fixed. Otherwise, the radio will always think it is night time, because the illumination circuit is always energized. Again, IF your dash lights are always on, day or night, you have some other problem (could be the DRL mod - remove the jumper and check to see if the lights are working correctly).
If your dash lights are working normally (off in daylight, on at night) then the wiring on the radio itself needs to be connected properly.
The more I think about it, the more I think your DRL mod is causing the problem.
|

04-27-2004, 07:30 PM
|
|
Hi Klaus
Thanks - I will share your diagrams with the installers on my Nav System - I wanted to restate the problewm I have briefly:
When my Nav System Setting for "Night-time" mode is on, the display should toggel between gray for daytime and black for nighttime. When this setting is set to "off" the display is always gray.
My DRL are on during day - so when the mode setting is "on" my display is black (during day - it should be gray). At night my headlights are on along with my DRL (I have used the jump to keep them on) so the display is black. If I turn off the mode the display is gray at night (to bright).
So my lights work proper (including the DRL that I jumped) - it seems to me (based on your information) that the power source can be changed in order to make this mode work properly.
Any additional comments?
Again thanks for your expert insight 
|

04-25-2004, 10:02 PM
|
|
|
Join Date: Dec 2002
Location: Santa Rosa, Ca
Posts: 24
|
|
Did you replace the door speakers or left them stock ?
__________________
H2 Hummer Guy
|

04-27-2004, 02:13 AM
|
 |
Hummer Guru
|
|
Join Date: Nov 2002
Location: CSA
Posts: 2,511
|
|
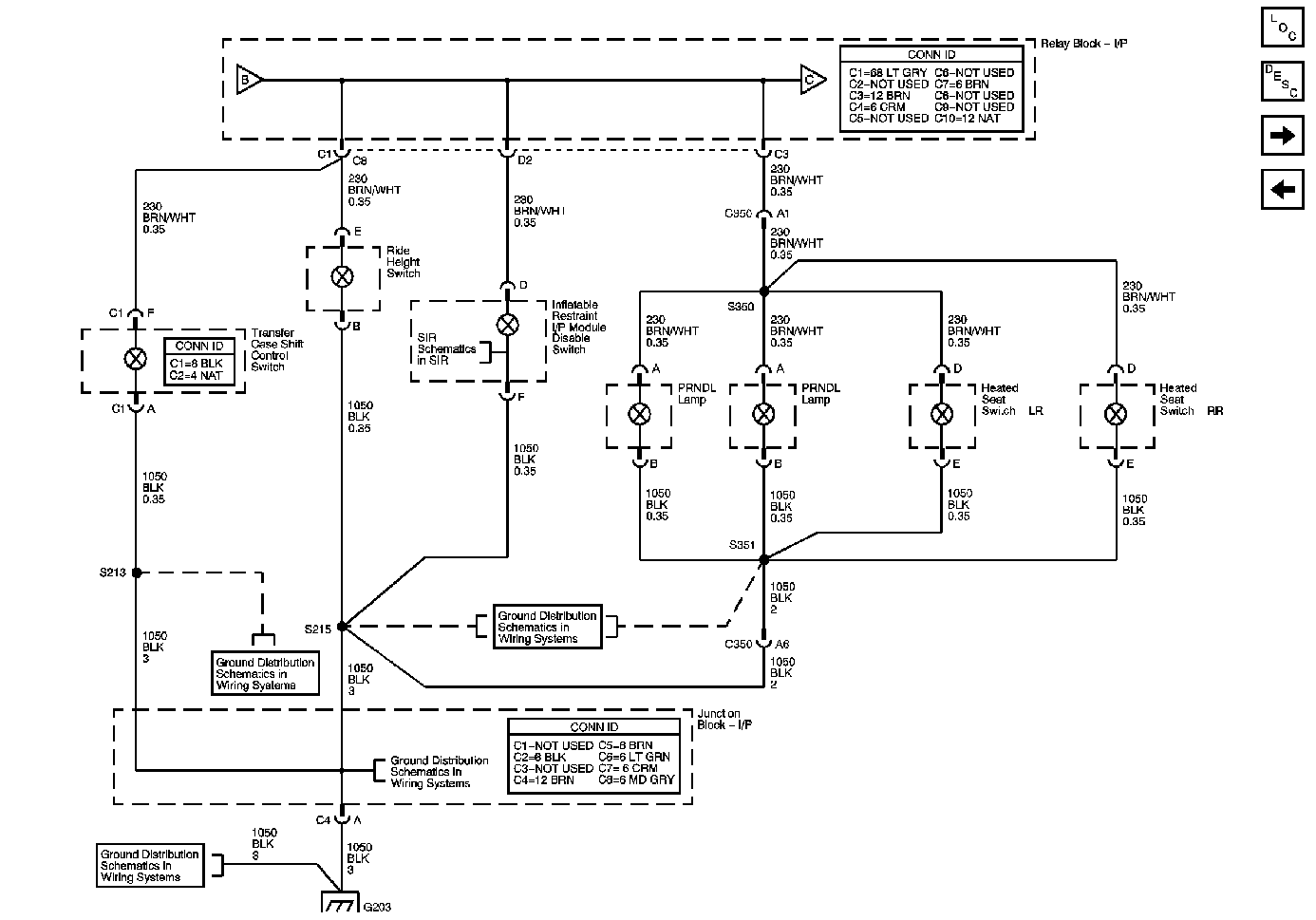
Diagram 1
|

04-26-2004, 12:27 AM
|
Hummer Guru
|
|
Join Date: Oct 2003
Location: Whereabouts unknown
Posts: 2,267
|
|
Frank,
Real nice setup. How do you like the Kicker subs? I was thinking of throwing a set of them in mine. Are they 10's or 12's? Also which kicker amp is that?
|

04-26-2004, 12:55 AM
|
 |
Hummer Guru
|
|
Join Date: Nov 2002
Location: CSA
Posts: 2,511
|
|
Nice unit. Why didn't you buy the Pioneer XM tuner to integrate XM?
|

04-25-2004, 09:01 PM
|
Hummer Expert
|
|
Join Date: Mar 2004
Location: South Jersey
Posts: 646
|
|
Nice set-up. What is the model number and how much did it cost you? How much did you buy the trailer "rear view" cam for?
|
Thread Tools |
Search this Thread |
|
|
Display Modes |
Hybrid Mode
|
Posting Rules
|
You may not post new threads
You may not post replies
You may not post attachments
You may not edit your posts
HTML code is Off
|
|
|
All times are GMT +1. The time now is 07:50 AM.
|